
—του Γιώργου Τσακνιά—
—γιατί τα δάκρυά μου είναι γεμάτα μάτια—
e e cummings
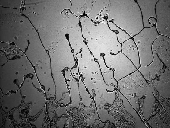
Πριν από πέντε περίπου χρόνια, η αμερικανίδα φωτογράφος Rose-Lynn Fisher περνούσε μια δύσκολη περίοδο, με πολλές αλλαγές και απώλειες. Εκεί που πλάνταζε στο κλάμα, της ήρθε η ιδέα να βάλει ένα δάκρυ στο μικροσκόπιο. Κάπως έτσι άρχισε να μελετά πρώτα τα δικά της και αργότερα τα δάκρυα των άλλων — συνολικά συνέλεξε, κατέταξε και φωτογράφισε πάνω από εκατό δάκρυα, μεταξύ αυτών και το δάκρυ ενός νεογέννητου.
Τα δάκρυα αποτελούνται από νερό, ηλεκτρολύτες, πρωτεΐνες, όπως αντισώματα και λυσοζύμη, και λιπίδια. Κατατάσσονται σε τρεις γενικές κατηγορίες: τα βασικά δάκρυα, που εκκρίνονται τακτικά σε μικρές ποσότητες, προκειμένου να ενυδατώνεται και να καθαρίζεται ο κερατοειδής χιτώνας, τα αντανακλαστικά δάκρυα, που εκκρίνονται σε περίπτωση ερεθισμού, π.χ. όταν καθαρίζουμε κρεμμύδια ή όταν μας ψεκάζουν δακρυγόνα, και τα ψυχικά δάκρυα, κοινώς το κλάμα.
Η Rose διηγείται τι σκέφτηκε την πρώτη φορά που έβαλε ένα δάκρυ της στο μικροσκόπιο: «Ήταν πάρα πολύ ενδιαφέρον. Μου θύμισε αμέσως αεροφωτογραφία. Σαν να βλέπεις ένα τοπίο από ψηλά, από το αεροπλάνο. Μετά, άρχισα να αναρωτιέμαι: άραγε διαφέρει το δάκρυ του πόνου από το δάκρυ της χαράς; Και τι γίνεται άμα αυτά τα δυο τα συγκρίνεις με το δάκρυ που προκαλούν τα κρεμμύδια;» Η Rose επέμεινε στη μεταφορά της αεροφωτογραφίας: παρομοιάζει τις εικόνες των δακρύων στο μικροσκόπιο με «αεροφωτογραφίες συναισθηματικού εδάφους» και κάπως έτσι έδωσε στη σειρά τον τίτλο: «Τοπογραφίες δακρύων».
Η Rose γρήγορα συνειδητοποίησε ότι τα δάκρυα στο μικροσκόπιο παρουσιάζουν μεγάλες διαφορές μεταξύ τους, όχι μόνο όταν ανήκουν σε διαφορετικές γενικές κατηγορίες αλλά και αυτά της τρίτης κατηγορίας, τα ψυχικά δάκρυα, μεταξύ τους, ανάλογα με το αίτιο που τα προκάλεσε. Ούτως ή άλλως, τα ψυχικά δάκρυα έχουν διαφορετική σύσταση από τα βασικά και περιέχουν περισσότερες ορμόνες, όπως η προλακτίνη, η αδρενοκορτικοτρόπος ορμόνη και η λευ-εγκεφαλίνη. Δεδομένου ότι η συναισθηματική φόρτιση και οι ορμόνες μας συνδέονται ευθέως και αμφίδρομα, είναι λογικό οι διαφορές να αποτυπώνονται και στην εικόνα των δακρύων. Η λευ-εγκεφαλίνη π.χ. είναι ένα από τα φυσικά παυσίπονα του οργανισμού μας και εκκρίνεται για να αντιμετωπίσει το στρες.
«Τα δάκρυα», λέει η Rose, «είναι ένα από τα πλέον πρωτόγονα επικοινωνιακά μέσα που χρησιμοποιούμε σε περιστάσεις αδυσώπητες όπως ο θάνατος, στοιχειώδεις όπως η πείνα, περίπλοκες όπως η ιεροτελεστία μιας μετάβασης. Είναι η έκφραση της έσω ζωής μας που ξεχειλίζει, βγαίνει από τα όρια και ξεχύνεται στο συνειδητό. Βουβά και πηγαία, μας αφήνουν ανοιχτή την επιλογή του επαναπροσδιορισμού, της επανένωσης, της κάθαρσης. Κλαίω, αλλάζω δέρμα. Λες και το κάθε μας δάκρυ φέρει έναν ολόκληρο μικρόκοσμο της συλλογικής ανθρώπινης εμπειρίας· σαν μια σταγόνα του ωκεανού».
[Σημείωση: προσέξτε τις λεζάντες των φωτογραφιών· είναι μέρος του έργου.]
Φωτογραφίες: © Rose-Lynn Fisher
* * *





Σχολιάστε